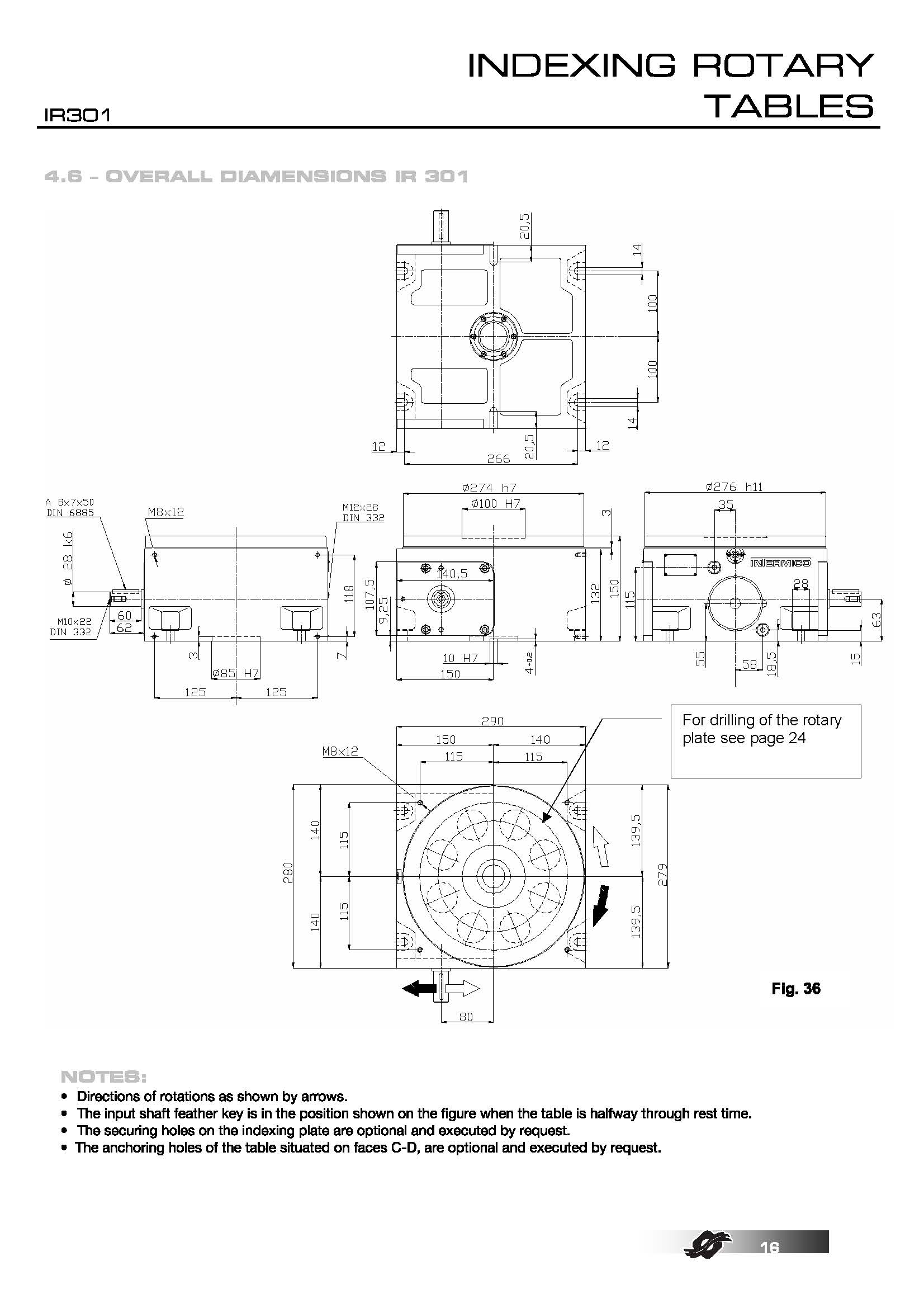
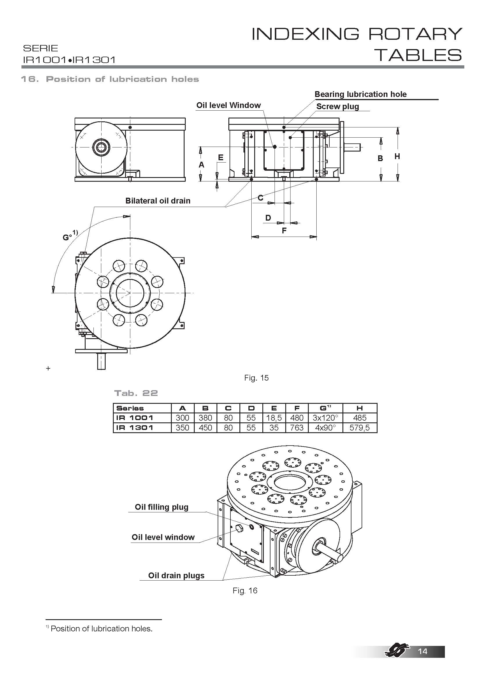
技術規格
| 氣缸凸輪標準型號: | 17 |
| 軸安裝: | 垂直水平 |
| 表盤直徑mm: | 185 至 2000 |
| 傳動扭矩(Nm): | 高達 180.000 |
| 標準號 站數(負載由大交叉滾子軸承支撐): | 2 至 34 |
| 凸輪索引周期: | 270° - 300° - 310° - 330° |
描述
COLOMBO FILIPPETTI spa "IR" Minindex 系列的分度轉臺是圓柱形凸輪機械裝置,可將輸入軸的勻速旋轉運動轉換為輸出表盤的分度旋轉運動。












































































傳真:0510-86199978
郵箱:info@andrewen.com
手機號:18961619099
地址:江蘇省江陰市澄江東路3號
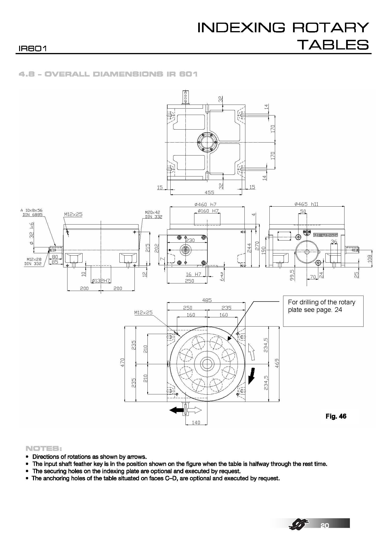
技術規格
| 氣缸凸輪標準型號: | 17 |
| 軸安裝: | 垂直水平 |
| 表盤直徑mm: | 185 至 2000 |
| 傳動扭矩(Nm): | 高達 180.000 |
| 標準號 站數(負載由大交叉滾子軸承支撐): | 2 至 34 |
| 凸輪索引周期: | 270° - 300° - 310° - 330° |
描述
COLOMBO FILIPPETTI spa "IR" Minindex 系列的分度轉臺是圓柱形凸輪機械裝置,可將輸入軸的勻速旋轉運動轉換為輸出表盤的分度旋轉運動。










































































